A biofilm is a community of microorganisms in which cells stick to each other and often also to a surface. Some species of quorum-sensing bacteria form biofilms.
Biofilms can be quite complex, with bacterial cells organizing to form ordered structures, and some biofilms contain multiple species of coexisting bacteria.

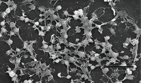
Although much remains unknown about biofilms, it’s increasingly clear that they play crucial roles in human health and disease. For instance, the S. aureus colonizing the surface of a catheter above are organized in a biofilm. Quorum sensing can play an important role in the formation, maintenance, and breakdown of biofilms.